NEW

FP9937

Production

Integrated Multi-Channel DC-DC Converters for EPD

產品說明


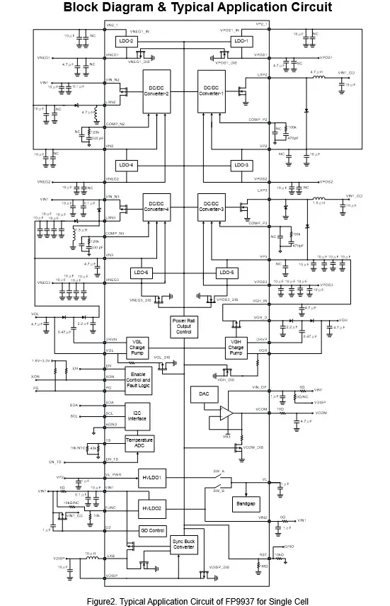
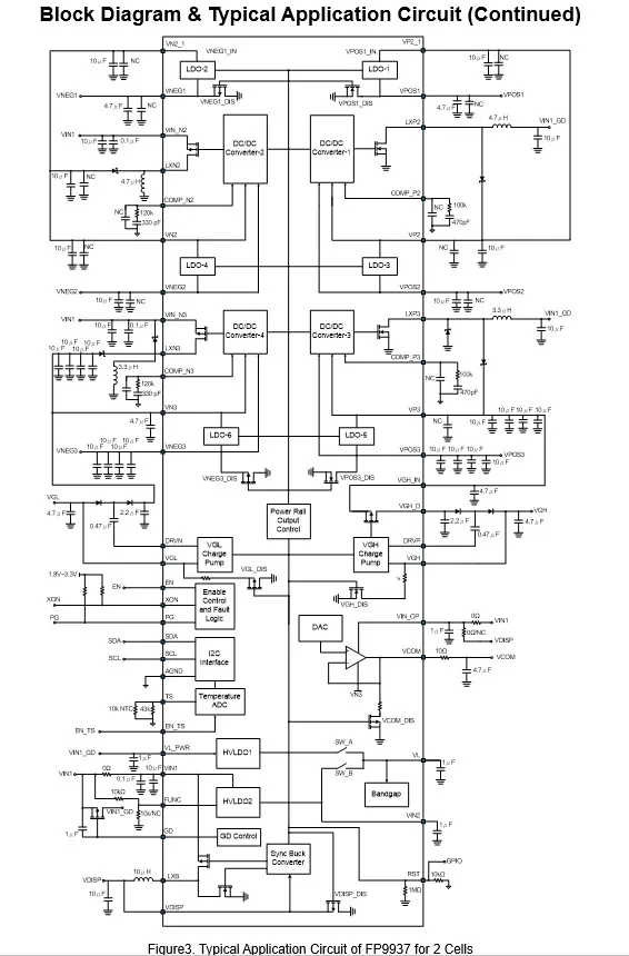
The FP9937 is power management IC which offers a compact power solution for all voltages required by color EPD (Electro-Phoretic Display) panel. The FP9937 includes 3 negative LDOs, 3 postive LDOs, 1 negative charge pump and 1 positive charge pump to supply gate driver and source driver. A VCOM buffer is provided to bias the panel. A thermal sensor and a synchronous buck are porivded for additional application. All rails are adjustable through the I2C interface to accommodate specific panel requirements.

特性
  • 2.9V to 9.5V Input Supply Voltage,
    for 1 Cell Application is 2.9V to 5.5V
    for 2 Cells Application is 5.8V to 9.5V
  • VPOS1/VNEG1:±3.5V to ±12V, 200mA (max.)
  • VPOS2/VNEG2:±6V to ±17V, 300mA (max.)
  • VPOS3/VNEG3:±14V to ±27.5V, 300mA (1Cell) /450mA (2 Cells)
  • VCOM:0V to -5V with 8-bits DAC
  • VGH/ VGL:+10V to +40V/ -15V to -40V with Internal Discharge Function, 60mA(max.)
  • Syncronous Buck Converter with Output Voltage Range from 1.2V to 3.3V for System Application
  • Programmable Soft-Start Time
  • Power Good Signal
  • Protection:OCP, UVP, SCP, OTP
  • Night Mode Function for Panel Off Sequence
  • Thermistor Monitoring
    ♦-10°C to +85°C Temperature Range
    ♦±1°C Accuracy from 0°C to 45°C
    ♦Enable/Disable by EN_TS
  • I2C Slave Mode Interface (Address 3Ch)
  • TQFN-64L (7mmx7mm) Package
  • RoHS Compliant
封裝和引腳定義
訂購信息
Part Name Package Request
FP9937WJ TQFN-64L (7mmx7mm)

Sample Request

Technical Support